首页
产品中心
钢基KK模组
内嵌模组
丝杆半封闭模组
丝杆全封闭模组
皮带半封闭模组
风琴罩模组
直线模组多轴搭建
滚珠丝杆
直线导轨
滚珠花键
电缸
支撑座固定座
关于瑞格
公司简介
企业文化
发展历程
企业认证
生产实力
企业风采
新闻中心
公司动态
行业资讯
常见问题
公司展会
视频中心
下载中心
联系我们
中文
CN
EN
产品分类
Product categories
钢基KK模组
内嵌模组
丝杆半封闭模组
丝杆全封闭模组
皮带半封闭模组
风琴罩模组
直线模组多轴搭建
滚珠丝杆
直线导轨
滚珠导轨
滚柱导轨
微小型滚珠导轨
滚珠花键
电缸
支撑座电机一体座
4
您的位置:
首页
->
产品展示
->
滚珠丝杆
->
SFA静音型丝杆螺母
SFA静音型丝杆螺母
广东绿谷时代传动有限公司专注自动化精密机械不可缺的直线运动系列直线模组、滚珠丝杆、滚珠花键、直线导轨等生产于销售。提供SFA静音型丝杆螺母,SFA静音型丝杆螺母生产,SFA静音型丝杆螺母价格咨询,绿谷时代传动在品质,产量,性价比方面一直有良好的口碑.欢迎来电咨询136-6278-3346
[上一个:GTHS12 内嵌模组]
[下一个:SFNU重载型丝杆螺母]
SFA静音型丝杆螺母
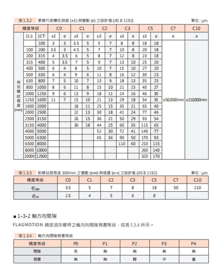
详情说明
相关产品指引
左右牙滚珠丝杆
XSAR静音型丝杆螺母
SFY高速型丝杆螺母
SFNU重载型丝杆螺母
SFK微小型丝杆螺母
SCH静音型丝杆螺母
BSH无法兰滚珠丝杆
DFU双螺母丝杆
136-6277-4416
Hello!
微信扫一扫
享一对一咨询